Click here to close
Hello! We notice that you are using Internet Explorer, which is not supported by Xenbase and may cause the site to display incorrectly.
We suggest using a current version of Chrome,
FireFox, or Safari.
Relocation and reorganization of germ plasm in Xenopus embryos after fertilization.
Ressom RE, Dixon KE.
???displayArticle.abstract???
In the unfertilized egg, germ plasm is widely distributed throughout the vegetal subcortex in small islets. Following fertilization or artificial activation, the location and organization changes, and by the 4- to 8-cell stage the germ plasm forms a small number of large patches overlying the vegetal pole. We distinguish three processes that produce these changes. The first of these is aggregation which involves the islets moving towards the vegetal pole to form large patches by coalescence. This phase requires microtubules but does not depend on cleavage or dynamic microfilaments. The second phase is ingression during which the patches of germ plasm move to the interior of the egg. The movement is due to a flow of cytoplasm from the vegetal pole internally and the cytoplasmic current does not require either microtubules or dynamic microfilaments. In the third phase, the germ plasm is trapped in the vegetal hemisphere by microtubular arrays--in normal development, the mitotic spindle.
Fig. 1. Distribution and organization of germ plasm in normal, control embryos fixed at 2h intervals after fertilization.
Patches of germ plasm (arrows). (A,B) 2h p.f.; (C,D) 4h p.f.; (E,F) 6h p.f.; (G,H) 8h p.f.; (I,J) 10H p.f. Bars,
100 Um.
Fig. 2. Distribution of germ plasm in fertilized embryos. Embryos were fixed at 2h intervals after fertilization, serially
sectioned and stained for germ plasm. The position of each patch of germ plasm was plotted as a point on a circle
representing an egg, using a 100 fim square eyepiece grid superimposed on the section and projected onto a single
median plane. Each circle represents a composite result for 15 embryos from 3 experiments. (A) 2h; (B) 4h; (C) 6h:
(D)8h; (e) 10h.
Fig. 3. Distribution of germ plasm in eggs activated with calcium ionophore A23187. Methods as for Fig. 2. (A) 2h;
(B)4h; (C)6h; (D)8h; (E) 10h.
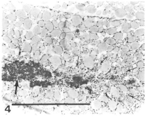
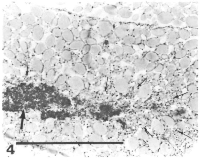
Fig. 4. Organization of cytoplasm around germ plasm in
normal 8-cell embryos. Germ plasm, large arrow;
Pigment granules tend to be organized in streams (small
arrows) radiating from the patch of germ plasm and yolk
platelets tend to be oriented with their long axis towards
the germ plasm. Bar, 100um.
Fig. 5. Distribution of germ plasm in activated eggs
incubated continuously in lO^gml1 cytochalasin B from
0-2 of the first cleavage cycle. Methods as for Fig. 2.
(A)2h p.a.; (B)4h p.a.
Fig. 6. Patches of germ plasm at the head of a flow of cytoplasm
from the vegetal pole (arrow heads), as indicated by
accumulation of pigment granules and displacement of cortical
cytoplasm into the yolk mass. (A) Fertilized egg, 6h p.f., germ
plasm, arrow; (B) activated egg, 6h p.a., germ plasm, arrow,
(C) high magnification view, activated egg, pigment granules
(small arrows). Bar, 100um.
Fig. 7. Distribution of germ plasm in activated eggs (A)
injected with colchicine (20 nl, lmgml1) at 8h and
examined at 10 h (cf. Fig. 3E) and (B) incubated in D2O
(45 %) at 8h and examined at 10 h (cf. Fig. 7A).
Fig. 8. Germ plasm in artificially activated eggs at 10 h
p.a. treated with D2O (45 %) from 0-2 of the first
cleavage cycle. Patches remain in the vegetal hemisphere
associated with cytasters (c) induced by the treatment.
Bar, 100 um.
Fig. 9. Model illustrating the three phases in relocation
and reorganization of germ plasm in Xenopus eggs after
fertilization (A-C) aggregation, (D) ingression, (E)
localization.