Click here to close
Hello! We notice that you are using Internet Explorer, which is not supported by Xenbase and may cause the site to display incorrectly.
We suggest using a current version of Chrome,
FireFox, or Safari.
???displayArticle.abstract???
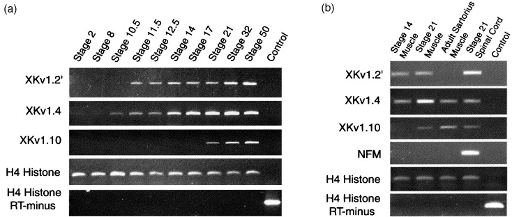
Embryonic Xenopus muscle cells grown in culture express voltage-gated K+ currents with inactivating and non-inactivating kinetics. Here we report the cloning of three K+ channel cDNAs, designated XKv1.2', XKv1.4 and XKv1.10, from muscle which may underlie these currents. XKv1.2' cDNA appears to be an allelic variant of the XKv1.2 previously cloned from Xenopus. The second cDNA encodes a homologue of Kv1.4 that has not been previously cloned from Xenopus. The predicted XKv1.4 protein shows 73% overall similarity to mouse and chick Kv1.4, but shows significant divergence in the region corresponding to the chain of the inactivating 'ball and chain' domain. The third K+ channel cDNA isolated from Xenopus muscle is a novel Kv1 isoform designated XKv1.10. The predicted protein shares about 70% similarity with other members of the Kv1 subfamily, and about 40% with members of the Kv2, Kv3 and Kv4 subfamilies. XKv1.4 mRNA appears as early as stage 10.5 in whole embryos and is prominent in muscle throughout development from stage 14 to adult. XKv1.2' mRNA is detected by stage 11.5 in whole embryos, but remains at low levels in embryonic skeletal muscle (stages 14 and 21), and is absent from adult muscle. XKv1.10 mRNA is first detected at stage 21 in whole embryos, and is present in muscle from this stage onwards. All three transcripts are present in spinal cord at stage 21. The results support the notion that channels encoded by XKv1.4 contribute to the inactivating K+ current observed in embryonic muscle cells in culture.
Fig. 1. (A) Nucleotide sequence of the XKv1.2′ cDNA (accession #AF373249) isolated from embryonic muscle, and the deduced amino acid sequence. The position of the nucleotide is indicated on the left, and amino acid on the right. (B) Alignment of the deduced amino acid sequence from XKv1.2′ with XKv1.2 and mouse Kv1.2 (mKv1.2). Identical residues are shaded in black, similar ones are shaded grey. The position of the tetramerization domain (T1), membrane spanning domains (S1–S6) and pore domains are indicated. The six amino acids (11–16) near the N-terminus differing from XKv1.2 [46] are indicated. Putative N-linked glycosylation site in the S1–S2 linker and phosphorylation sites by protein kinase C (PKC), protein kinase A (PKA) and tyrosine kinase (Tyr-K) are also indicated.
Fig. 2. (A) Nucleotide sequence of the XKv1.4 cDNA (accession #AF323750) isolated from muscle, and the deduced amino acid sequence. The position of the nucleotide is indicated on the left, and amino acid on the right. (B) Alignment of deduced amino sequence from XKv1.4 with mouse Kv1.4 (mKv1.4), chick Kv1.4 (cKv1.4) and the Shaker B channel. Conserved residues are shaded in black, similar residues are shaded in grey. The position of the ball domain, tetramerization domain (T1), membrane spanning domains (S1–S6) and pore domains are indicated. Putative N-linked glycosylation site in the S1–S2 linker and phosphorylation sites by protein kinase C (PKC), protein kinase A (PKA) and tyrosine kinase (Tyr-K) are indicated.
Fig. 3. Nucleotide sequence of the XKv1.10 cDNA (accession #AF323751), and the deduced amino acid sequence. The position of the tetramerization domain (T1), membrane spanning domains (S1–S6) and pore domain are indicated. Potential phosphorylation sites by protein kinase C (PKC) and protein kinase A (PKA) are indicated.
Fig. 4. Relationship of XKv1.10 to other Xenopus Kv channels. The predicted amino acid sequences between the T1 and S6 domains from the known Xenopus K+ channels were aligned using Clustalw, and an unrooted phenogram was constructed using the MEGA2 software package. The distance between two K+ channels represents extent of divergence.
Fig. 5. (A) Developmental expression of XKv1.2â², XKv1.4 and XKv1.10 in whole embryos. cDNA was prepared from whole embryos at stages 2, 8, 10.5,11.5, 12.5, 14, 17, 21, 32 and 50 and XKv1.2â², XKv1.4 and XKv1.10 expression was assessed using specific primers as described in the Materials and methods. (B) Expression of XKv1.2â², XKv1.4 and XKv1.10 in muscle and nerve. cDNA was prepared from the muscle of stage 14 and 21 embryos, adult sartorious muscle and stage 21 spinal cord. Expression of XKv1.2â², XKv1.4 and XKv1.10 RNA was assessed using specific primers as above. Additional RTâPCR with primers specific for medium weight neurofilament (NFM) was carried out to demonstrate that the muscle RNA sample was uncontaminated by nerve. (Controls) RTâPCR with primers for H4 histone was carried out with each of the cDNA preparations as a positive control. The control lane at the right of the figure for the Kv1.2â², Kv1.4, Kv1.10 and H4 reaction contained no template. The H4 primers were used with RT-minus template to ensure there was no genomic DNA and the control lane for this series contained stage 50 cDNA.